1 / 5
Easy Control / Friendly Interface / Multifunction Operation
The V9−H Series is a high-performance vector and torque-controlled inverter. It covers a voltage range of 220V to 380V and a power range of 0.75Kw to 630Kw. It supports both synchronous and asynchronous motors with multiple control modes including open loop, closed loop, and V/F control.
Machine tools, Lifts, Cranes, Air compressors, Papermaking, Oilfields, Plastics, Metal processing, Municipal engineering, Textile, Printing, Mining, Wood processing, Food packaging, and Electric Vehicles.


| Rated Power (kW) | 0.75 | 1.5 | 2.2 | 3.7 | 5.5 | 7.5 | 11 | 15 | 22 | 30 | 45 | 75 | 90 | 110 |
|---|---|---|---|---|---|---|---|---|---|---|---|---|---|---|
| Rated Current (A) | 2.5 | 3.8 | 5.5 | 9 | 13 | 17 | 24 | 30 | 45 | 60 | 91 | 150 | 176 | 210 |
| Input Voltage | Three−phase 380V/480V; 50Hz/60Hz (Allowable 323V - 528V) | |||||||||||||
| Overload Capacity | 150% for 60s, 180% for 10s, 200% for 0.5s | |||||||||||||
| Control Characteristics | Control Mode | Sensor-less Vector Control / Sensor Vector Control |
|---|---|---|
| Starting Torque | Asynch: 200% at 0.25Hz / Synch: 150% at 1.5% speed | |
| Speed Range | 1:200 (Sensor-less) / 1:5000 (Sensor) | |
| Efficiency | ≥93% (up to 7.5kW) / ≥98% (55kW and above) |
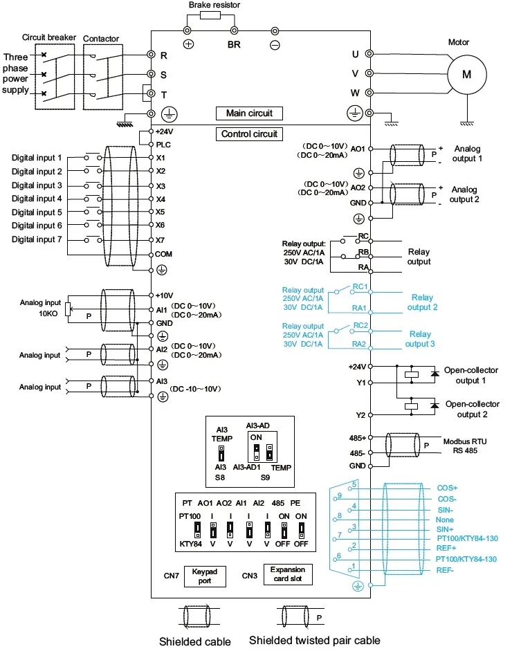
| Terminal | Symbol | Function | Specifications |
|---|---|---|---|
| Modbus | 485+ / 485- | RS485 Communication | Baud rate up to 57600bps |
| Digital Input | X1 ... X7 | Programmable inputs | 24VDC ± 20%, 5mA |
| Relay Output | RA/RB/RC | Fault/Status relay | 250VAC/1A, 30VDC/1A |