V&T V9 11kw High Precision Strong Torque Low Voltage Control VFD

Still deciding? Get samples of $ !
Request Sample

Product Description

Basic Info.

Model NO.
V9-H-4T11G/15L
Principle of Work
Vector Control Transducer
Switch Mode
PWM Control
Main Circuit Type
Voltage
Voltage of Power Supply
Low Voltage Variable-Frequency Drive
Link of Transformation
AC-DC-AC Variable-Frequency Drive
Nature of DC Power
Voltage Variable-Frequency Drive
Origin
China
HS Code
850440999

V9 Series General Purpose Inverter

Easy Control / Friendly Interface / Multifunction Operation / Brilliant Succession

The V9−H Series General Purpose Inverter is a high-performance vector control and torque-controlled inverter. Vector control techniques and torque control techniques are employed. The V9−H product voltage range 220V and 380V, Power range 0.75Kw to 630Kw. It can suit synchronous and asynchronous motor. Synchronous open loop, Synchronous closed loop, Asynchronous V/F, Asynchronous closed loop, Asynchronous vector, these control modes can meet various needs.

Representative Industry

Machine tool industryLiftCrane industryAir compressorPapermakingOilfieldPlastic industryMetal processingTextile industryElectric VehiclesCentrifuges

Features

Multiple System Loop Control Modes

Position loop, Speed loop, Torque loop

Flexible Speed Command Selection

Modbus communication, Keyboard, Analog, Multi-segment speed, Terminal UP/DN, Process PID, Simple PLC speed.

LED / LCD Operation Panel Options

Ergonomic layout, one-button parameter entry/exit, copy function, and remote control (up to 500m) with password lock functionality.

Upper Computer Communication

Standard 485 interface with Modbus protocol for seamless parameter upload and download.

Product Showcase

Inverter Overview Inverter Detail Inverter Components

Technical Specifications

Control Mode Sensorless Vector Control Sensor Vector Control
Applicable Motor Synchronous motor, asynchronous motor
Maximum Speed 600Hz (Customizable higher frequency)
Starting Torque Asynchronous: 200% at 0.25Hz; Synchronous: 150% at 1.5% speed 200% rated torque at 0 speed
Speed Regulation 1:200 1:5000
Steady Speed Precision ± 0.5% ± 0.02%
Positioning Precision N/A ± 1 pulse

Operating Environment

Ambient Temp
-10 to +40ºC (Derate 1% per 1ºC up to 50ºC)
Humidity
5 to 95%, no condensation
Altitude
0 to 4000 meters (Derate above 1000m)
Storage Temp
-40 to +70ºC
Efficiency
≥93% to ≥98% (Power dependent)

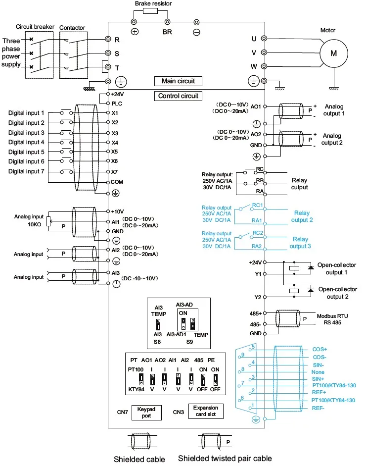
Terminal Wiring & Dimensions

Terminal Wiring Diagram Dimensions Diagram Installation Dimensions

Frequently Asked Questions

What is the power and voltage range of the V9-H series?
The V9-H series covers a power range from 0.75kW to 630kW, with standard voltage options for 220V and 380V/480V systems.
Which motor types are compatible with this inverter?
The inverter is highly versatile and supports both synchronous and asynchronous motors.
Does the V9-H series support remote control operation?
Yes, the operation panel can be used as a remote control box connected via a network cable at distances up to 500 meters.
What communication protocols are available?
Standard units come with built-in Modbus-RTU 485 communication. Other options like CANopen, PROFIBUS-DP, and PROFINET are also supported.
What is the protection rating and efficiency?
The V9-H series has an IP20 protection level and achieves an efficiency of up to 98% for higher power classes.
Can the inverter handle high starting torque requirements?
Absolutely. Under sensor vector control, it can provide 200% of rated torque even at zero speed, making it ideal for heavy-load applications.

Related Products