V&T V9 250kw High Precision Strong Torque Low Voltage Control VFD

Still deciding? Get samples of $ !
Request Sample

Product Description

Overview
About Product
Description
Parameters
Technical Specs
Wiring
Dimension
Basic Info.
Model NO.
V9-H-4T250G/315L
Work Principle
Vector Control Transducer
Switch Mode
PWM Control
Main Circuit Type
Voltage
Nature of DC Power
Voltage Variable-Frequency Drive
Function
Simple Type, Elevator Special, Textile Special, Constant Torque Universal
Origin
China
HS Code
850440999
Product Overview

V9 Series General Purpose Inverter

Easy Control / Friendly Interface / Multifunction Operation / Brilliant Succession. High-performance vector control and torque-controlled inverter employing advanced technical specifications.

Power Range

0.75Kw to 630Kw; Voltage range 220V and 380V.

⚙️Motor Support

Suits both synchronous and asynchronous motors with multiple control modes (V/F, Vector, Closed Loop).

V9 Series Overview V9 Inverter Details V9 Control Board
Core Features
Multiple System Loop Control

Position loop, Speed loop, and Torque loop.

Flexible Speed Commands

Modbus, Keyboard, Analog, Multi-segment speed, Terminal UP/DN, Process PID, and Simple PLC.

Smart Operation Panel

Optional LED/LCD panels. Supports parameter copy and remote control (up to 500m) with password lock.

Upper Computer Communication

Standard 485 communication interface via Modbus protocol for parameter upload/download.

Product Parameters

Three-phase 400V Constant Torque Application

Rated Power (kW) 0.751.52.23.75.57.51115223045
Rated Current (A) 2.53.85.5913172430456091
Input Voltage Three-phase 380V/480V; 50Hz/60Hz (Allowable: 323V to 528V)
Overload Capability 150% for 60s, 180% for 10s, 200% for 0.5s
Technical Specifications
Control Characteristics Details
Control Performance Control Mode Sensor-less Vector Control / Sensor Vector Control
Starting Torque Asynchronous: 200% at 0.25Hz; Synchronous: 150% at 1.5% speed
Speed Regulation 1:200 (Sensor-less), 1:5000 (Sensor)
Torque Precision ±5% (Sensor-less), ±3% (Sensor)
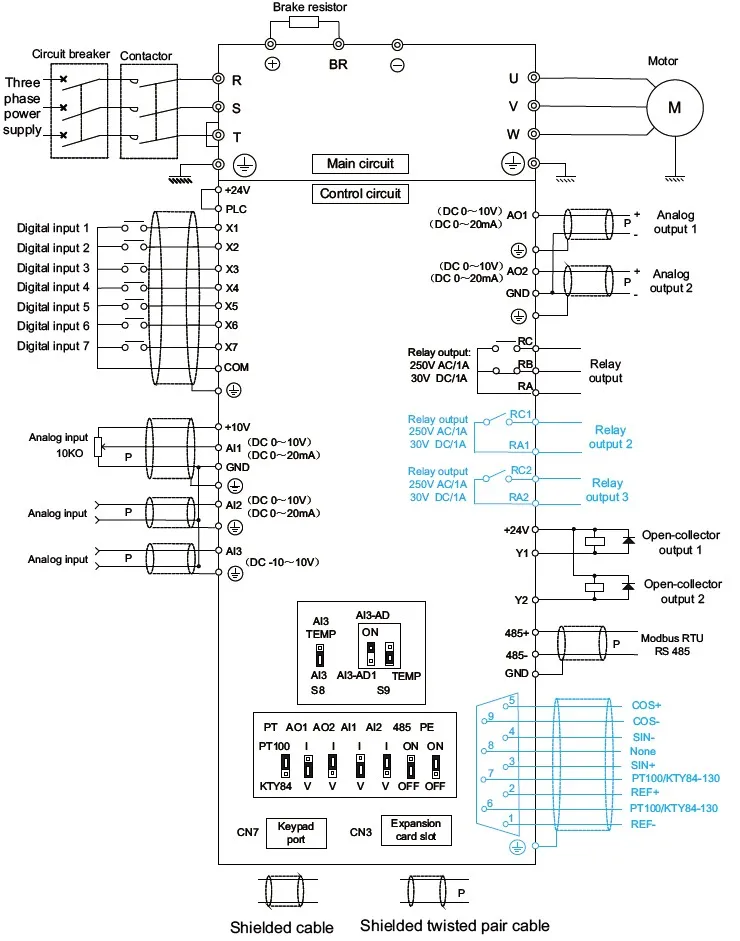
Terminal Wiring
Wiring Diagram
Terminal Symbol Function Description
Modbus 485+ / 485- RS485 communication; Baud rate up to 57600bps; Max 32 units.
Digital Input X1 ... X7 24VDC ± 20%, 5mA; Frequency range 0-1KHz.
Analog Input AI1 / AI2 / AI3 -10V to 10V or 0-20mA; 12-bit resolution.
Dimension
Dimension Drawing Installation Size
Frequently Asked Questions
1. What motor types are compatible with the V9 series?
The V9 series supports both synchronous motors and asynchronous motors, offering various control modes like vector control, torque control, and V/F control.
2. What is the power range and voltage specification?
The power range spans from 0.75kW to 630kW, with voltage options available in 220V and 380V/480V. Customizable options for 690V are also available.
3. Does it support remote operation?
Yes, the LED or LCD operation panels can be used as a remote control box using a standard network cable for distances up to 500 meters.
4. What communication protocols are built-in?
Standard Modbus-RTU (RS485) communication is built-in. It also supports optional modules for CANopen, PROFIBUS-DP, and PROFINET.
5. What is the protection level and environmental tolerance?
The standard protection level is IP20. It operates in temperatures from -10 to +40ºC (derating required up to 50ºC) and altitudes up to 4000 meters.
6. How does the overload capability work?
The inverter provides robust overload protection: 150% for 60 seconds, 180% for 10 seconds, and up to 200% for 0.5 seconds at 10-minute intervals.

Related Products