V&T V9 500kw High Precision Strong Torque Low Voltage Control VFD

Still deciding? Get samples of $ !
Request Sample

Product Description

Basic Information
Model:V9-H-4T500G/560L
Principle:Vector Control Transducer
Switch Mode:PWM Control
Circuit Type:Voltage AC-DC-AC
HS Code:850440999
Origin:China
V9 Series General Purpose Inverter

The V9−H Series General Purpose Inverter is a high-performance vector control and torque-controlled inverter. It employs advanced vector and torque control techniques across a voltage range of 220V to 380V, with power capabilities from 0.75Kw up to 630Kw.

Versatile Compatibility: Supports both synchronous and asynchronous motors with multiple control modes including open loop, closed loop, and V/F control.
Representative Industries:

Machine tool, Lift, Crane, Air compressor, Papermaking, Oilfield, Plastic, Metal processing, Textile, Printing, Industrial mining, Wood processing, Electric Vehicles, and Centrifuges.

Key Features
Multiple Loop Control: Position loop, Speed loop, and Torque loop capabilities.
Flexible Command Selection: Modbus communication, Keyboard, Analog, Multi-segment speed, Terminal UP/DN, Process PID, and Simple PLC speed settings.
Advanced Operation Panel: Optional LED/LCD panels with parameter copy functions, remote control up to 500m, and password lock protection.
Superior Communication: Standard 485 interface with Modbus protocol for seamless parameter upload and download.
Product Presentation
Inverter Display Internal Structure Circuit Detail
Product Parameters
Rated Power (kW) 0.751.52.23.75.57.511152230455575110
Output Voltage Three-phase 0 to rated input voltage
Rated Current (A) 2.53.85.5913172430456091112150210
Input Voltage/Freq Three-phase 380V/480V; 50Hz/60Hz
Allowable Range 323V ... 528V; Voltage imbalance ≤3%
Protection Level IP20
Technical Specifications
Item Sensor-less Vector Control Sensor Vector Control
Starting Torque 200% at 0.25Hz (Asynchronous) 200% at 0 speed
Speed Regulation 1:200 1:5000
Steady Speed Precision ± 0.5% ± 0.02%
Torque Response < 20ms < 10ms
Efficiency ≥93% (up to 7.5kW); ≥98% (55kW and above)
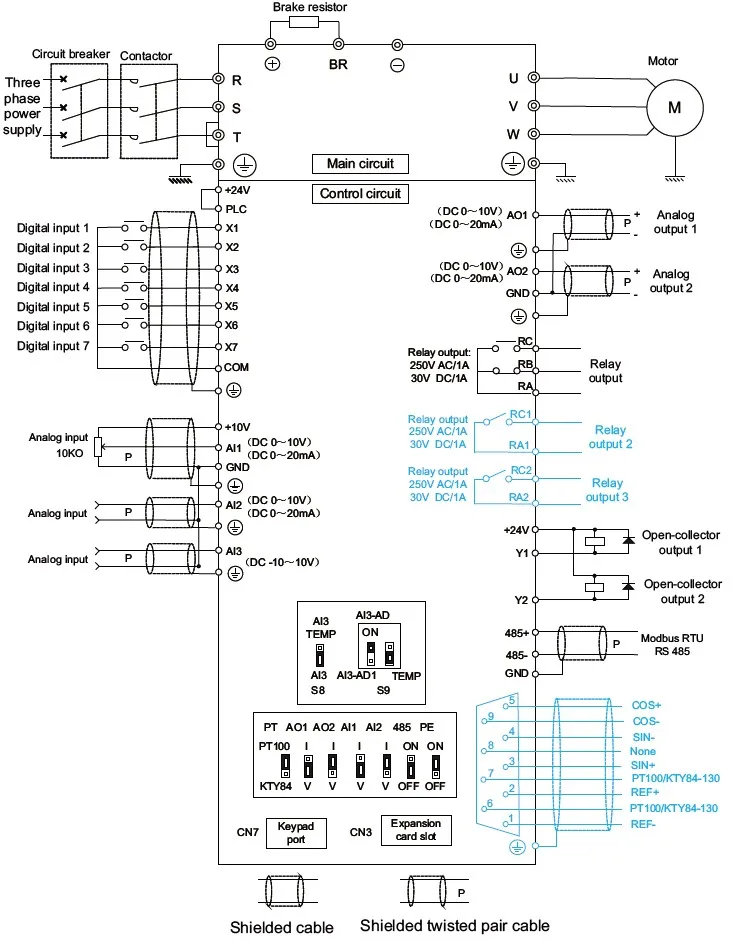
Terminal Wiring & Dimensions
Terminal Wiring Diagram
Terminal Symbol Function Description Technical Specs
Modbus 485+ / 485- RS485 Communication Baud rate: up to 57600bps; Parallel up to 32 units
Digital Input X1 ... X7 7 Multi-function inputs 24VDC ± 20%, 5mA
Analog Input AI1 / AI2 / AI3 Voltage or Current input -10V...10V or 0...20mA
Dimension Drawing
Model (400V) W (mm) H (mm) D (mm) W1 (mm) H1 (mm) Weight (kg)
V9−H−4T0.75G/1.5L 1181901551051731.5
V9−H−4T11G/15L 1982991901602838
V9−H−4T45G/55L 30554527024552335
V9−H−4T500G/560L 81013584255201300215
Product Group View
Frequently Asked Questions
Q1: What is the maximum power range of the V9 series inverters?
The V9 series covers a wide power range from 0.75kW up to 630kW, making it suitable for both light and heavy-duty industrial applications.
Q2: Does this inverter support synchronous motors?
Yes, the V9 series is highly versatile and supports both synchronous and asynchronous motors with multiple control modes including open loop and closed loop vector control.
Q3: Can the operation panel be used remotely?
Yes, the LED or LCD operation panels can be connected via a standard network cable to function as a remote-control box at distances of up to 500 meters.
Q4: What communication protocols are built-in?
Standard Modbus-RTU communication is built-in. Additionally, it supports optional modules for CANopen, PROFIBUS-DP, and PROFINET.
Q5: How does the V9 series handle extreme temperatures?
The device operates between -10°C to +40°C normally. It can function up to +50°C with a 1% current derating for every 1°C increase.
Q6: What is the environmental protection level of these units?
The standard protection level is IP20. All series adopt an independent air duct design to enhance cooling efficiency and protect internal components from dust.

Related Products