1 / 5
| Model NO. | V9-H-4T37G/45L | Principle of Work | Vector Control Transducer |
| Switch Mode | PWM Control | Main Circuit Type | Voltage |
| Power Supply | Low Voltage Variable-Frequency Drive | Transformation | AC-DC-AC Variable-Frequency Drive |
| Nature of DC Power | Voltage Variable-Frequency Drive | Function | Simple Type, Elevator Special, Textile Special, Constant Torque Universal Type |
| Brand | V&T | Origin | China |
Easy Control / Friendly Interface / Multifunction Operation / Brilliant Succession
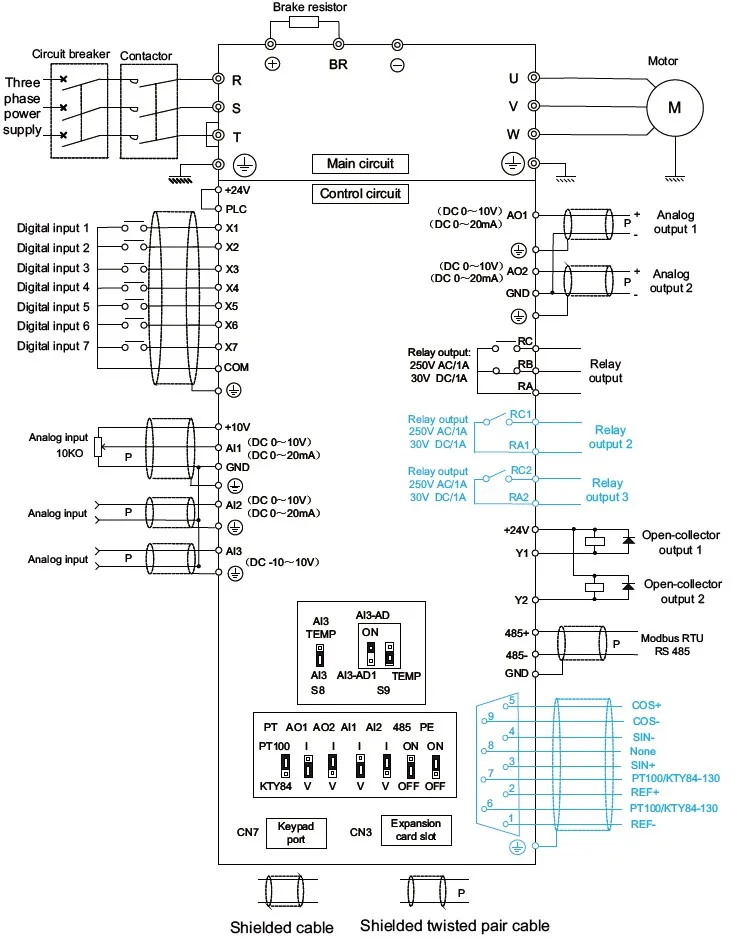
The V9−H Series General Purpose Inverter is a high-performance vector control and torque-controlled inverter. It supports both synchronous and asynchronous motors with multiple control modes including open loop, closed loop, V/F, and vector control.



| Control Characteristics | Sensorless Vector | Sensor Vector | |
|---|---|---|---|
| Motor Type | Synchronous and Asynchronous motors | ||
| Starting Torque | Asynch: 200% at 0.25Hz | 200% at 0 speed | 150% at 1.5% speed (Synch) |
| Speed Precision | ± 0.5% | ± 0.02% | |
| Torque Response | <20ms | <10ms | |
| Efficiency | 0.75kW-7.5kW: ≥93% | 11kW-45kW: ≥95% | 55kW+: ≥98% | ||


