V&T V9 450kw High Precision Strong Torque Low Voltage Control VFD

Still deciding? Get samples of $ !
Request Sample

Product Description

Basic Information
Model NO.
V9-H-4T450G/500L
Principle
Vector Control Transducer
Switch Mode
PWM Control
Circuit Type
Voltage Source
Application
Low Voltage Variable-Frequency Drive
Transformation
AC-DC-AC
Function
General Purpose, Elevator, Textile, Constant Torque
Origin
China
Product Overview

V9 Series General Purpose Inverter

Easy Control / Friendly Interface / Multifunction Operation

The V9−H Series is a high-performance vector and torque-controlled inverter. It covers a voltage range of 220V and 380V, with a power range from 0.75kW to 630kW. It is designed to drive both synchronous and asynchronous motors through various control modes including open-loop, closed-loop, and V/F control.

Key Features
Multiple System Loop Control: Supports Position loop, Speed loop, and Torque loop for precise movement.
Flexible Speed Commands: Options include Modbus, Keyboard, Analog, Multi-segment, Terminal UP/DN, and Process PID.
Advanced Operation Panels: Choice of LED or LCD panels with parameter copy functions and remote control up to 500m.
Communication: Standard RS485 interface with Modbus-RTU protocol for easy upper computer integration.
Product Display
V9 VFD Display
V9 Detail 1 V9 Detail 2
Technical Specifications
Control Characteristics Sensor-less Vector Control Sensor Vector Control
Motor Type Synchronous motor, Asynchronous motor
Maximum Speed 600Hz (Customizable for higher frequency)
Starting Torque Asynchronous: 200% at 0.25Hz Synchronous: 150% at 1.5% speed 200% at 0 speed
Speed Range 1:200 1:5000
Torque Precision ±5% ±3%
Protection Level IP20
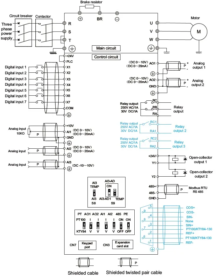
Terminal Wiring Diagram
Terminal Wiring Diagram
Terminal Symbol Function Description Technical Specifications
Modbus 485+ / 485- RS485 Communication Baud rate up to 57600bps; supports 32 units in parallel.
Digital Inputs X1...X7 Multi-function Inputs 24VDC ± 20%, 5mA
Analog Inputs AI1 / AI2 / AI3 Voltage/Current Inputs -10V...+10V or 0...20mA; 12-bit resolution.
Relay Outputs RA/RB/RC Fault/Running Signal 250VAC/1A, 30VDC/1A
Dimensions & Mounting
Outline Dimensions
Mounting Dimension Chart
Frequently Asked Questions
What is the power range of the V9 series inverters?
The V9-H series supports a wide power range from 0.75kW up to 630kW, suitable for both light and heavy-duty applications.
Can this inverter control synchronous motors?
Yes, the V9 series is compatible with both synchronous and asynchronous motors using various control modes.
Does the V9 series support remote operation?
Yes, the operation panel can be used as a remote control box connected via a standard network cable for distances up to 500 meters.
What communication protocols are integrated?
It features built-in Modbus-RTU communication as standard. Optional support for CANopen, PROFIBUS-DP, and PROFINET is also available.
How is the cooling handled for high-power units?
While very low power units may use self-cooling, the majority of the V9 series utilizes forced air cooling with an independent air duct design for better heat dissipation.
Is there protection against voltage fluctuations?
Yes, the drive includes comprehensive protection for power supply under-voltage, over-voltage, over-current, and phase imbalance.

Related Products