V9 General Purpose Inverter High Performance-Price Ratio 75kw VFD

Still deciding? Get samples of $ !
Request Sample

Product Description

Technical Specifications
Model NO.
V9-H-4T75G/90L
Principle of Work
Vector Control Transducer
Switch Mode
PWM Control
Main Circuit Type
Voltage
Voltage of Power Supply
Low Voltage Variable-Frequency Drive
Link of Transformation
AC-DC-AC Variable-Frequency Drive
Nature of DC Power
Voltage Variable-Frequency Drive
Brand
V&T
HS Code
850440999
Origin
China
V9 Series General Purpose Inverter
Easy Control | Friendly Interface | Multifunction Operation | Brilliant Succession

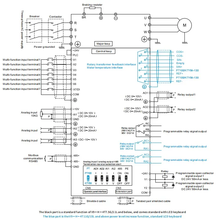
The V9−H Series is a high-performance vector and torque-controlled inverter. Covering a voltage range of 220V to 380V and a power range of 0.75Kw to 630Kw, it supports both synchronous and asynchronous motors through various control modes including open loop, closed loop, and V/F control.

Key Features & Advantages
Multiple System Loop Control Position loop, Speed loop, and Torque loop capabilities for precise operation.
⚙️
Flexible Speed Commands Supports Modbus communication, keyboard, analog, multi-segment, and PID process settings.
📱
Advanced Operation Panel Optional LED/LCD panels with ergonomic design, parameter copy function, and remote control up to 500m.
🔒
Safety & Communication Features password lock protection and RS485 Modbus interface for upper computer integration.
Product Presentation
Representative Industries
Machine Tools Lifts & Cranes Air Compressors Papermaking Oilfield Plastic Industry Metal Processing Textile & Printing Electric Vehicles Centrifuges
Frequently Asked Questions
What is the power range of the V9-H series inverter?
The V9-H series covers a wide power range from 0.75Kw up to 630Kw, suitable for various industrial applications.
What types of motors can this inverter control?
It is designed to suit both synchronous and asynchronous motors with multiple control modes like vector control and V/F control.
Does the operation panel support remote control?
Yes, the operation panel supports a remote control function that can be implemented up to a distance of 500 meters.
What communication protocols are available?
The inverter provides a 485 communication interface and uses the standard Modbus protocol for upper computer communication.
Is there a way to prevent unauthorized parameter changes?
Yes, the operation panel includes a password lock function to prevent non-professionals from accidentally changing system parameters.
What are the main control loops integrated into the system?
The system supports Position loop, Speed loop, and Torque loop control modes to meet complex industrial requirements.

Related Products