Low Voltage Three Phase Variable Frequency Drives VFD for Fan&Pump

Customization: Available
Application: High-performance Transducer, Three Phase Transducer, General Transducer, Single-phase Transducer, High Frequency Converter Transducer
Output Type: Triple

Product Description

⚙️ Basic Information
Model NO.
S2100S
Principle of Work
Vector Control Transducer
Switch Mode
PWM Control
Main Circuit Type
Voltage
Voltage Power Supply
Low Voltage VFD
Product Name
Three Phase Variable Frequency Drives
Power Range
220V 0.75-5.5kw; 380V 0.75-55kw
Output Frequency
0.1-400Hz
Protection
IP65
Cooling Mode
Forced Air Cooling
Origin
China
Capacity
20000PCS Per Month
📝 Product Description

Low Voltage Three Phase Variable Frequency Drives VFD For Fan & Pump

Items Specifications (S2100S)
Input Rated Voltage/Freq 1PH/3PH AC 220V 50/60Hz, 3PH AC 380V 50/60 Hz
Voltage Range 220V: 170V-240V; 380V: 330V-440V
Output Voltage Range 220V: 0-220V; 380V: 0-380V
Frequency Range 0.10 ~ 400.0 Hz
Control Method V/F control, Space vector control
Indication Operating status/Alarm/Interactive guidance (freq, current, DC bus voltage, temp)
Control Spec Resolution: Digital 0.01Hz, Analog 0.1%; Accuracy: 0.01Hz
Functions PID control, RS485 (MODBUS), Multi-speed (15 sections), Auto voltage regulation, Counters
Protection Overload (150% 60s), Over/Under Voltage, Short circuit, Over current, Parameter lock
Environment Temp: -10°C to 40°C; Humidity: Max 95%; Altitude: <1000m; IP65
⚡ Power Reference & Dimensions
Model Motor (KW) Output Current (A) W (mm) H (mm) D (mm) A (mm) B (mm)
S2100-2S0.75GS 0.75KW 5 - - - - -
S2100-2S1.5GS 1.5KW 7 188 122 134 105 178
S2100-2S2.2GS 2.2KW 11 - - - - -
S2100-4T5.5GS 5.5KW 12.5 235 154 179 125 221
S2100-4T11GS 11KW 24 - - - - -
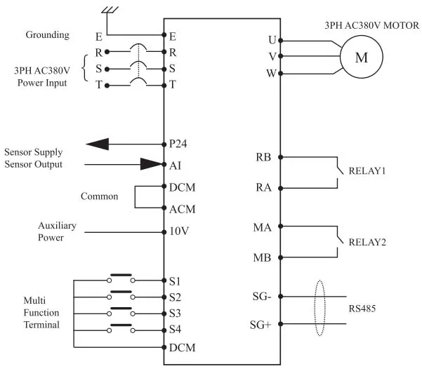
🔌 Wiring Diagrams
VFD Technical Chart
⭐ Key Advantages

Big savings on installation: With a built-in RFI filter, the S2100S IP65 inverter can be positioned close to the motor which cuts the cost of shielded motor cables. Integrated insulator versions simplify external connections.

Big performance: The S2100S IP65 is a modern sensorless vector inverter with 200% overload capacity, a wide range of supply and fieldbus options, and excellent I/O.

Easy handling: Integrates the EPM memory module—a simple plug-in chip that stores all drive settings. Transfers settings in seconds and guarantees minimum downtime.

VFD Application Advantage
❓ Frequently Asked Questions
Q: What is the main application for the S2100S series VFD?
A: It is specially designed for low voltage three-phase applications, primarily for fans, pumps, elevators, and textile machinery requiring precise vector control.
Q: Does this drive support remote communication?
A: Yes, it features standard RS485 communication function (MODBUS protocol) for integrated system control.
Q: What is the protection level for harsh environments?
A: The S2100S series is rated IP65, making it highly resistant to dust and water, suitable for demanding industrial environments.
Q: Can the drive settings be backed up easily?
A: Yes, it uses an EPM memory module (plug-in chip) that allows you to store and transfer parameters between drives in seconds.
Q: What is the maximum output frequency?
A: The output frequency range is 0.10Hz to 400.0Hz with a setting resolution of 0.01Hz.
Q: What are the overload capabilities of this VFD?
A: It provides an overload capacity of 150% for 60 seconds for constant torque applications and up to 200% capacity in sensorless vector mode.

Related Products