LC880 Series Solar Pump Inverter 10kw Solar DC/PV/3 Phase 380V AC Input 1.5kw-200kw MPPT VFD Inverter Stabilizer Voltage Regulator VFD

Customization: Available
Application: High-performance Transducer, Three Phase Transducer, High Frequency Converter Transducer
Output Type: Triple

Product Description

Overview - Basic Info

Principle of Work
Vector Control Transducer
Switch Mode
High Carrier Frequency PWM Control
Main Circuit Type
Current
Voltage of Power Supply
Low Voltage Variable-Frequency Drive
Link of Transformation
AC-DC-AC Variable-Frequency Drive
Nature of DC Power
Current Variable-Frequency Drive
Function
Simple Type, Textile Special
Input Voltage
3AC 380V±15%
Output Voltage
0~Rated Input Voltage
Control Mode
V/F, SVC, FVC
Rated Power Range
1.5-200kw
Frequency
0-500Hz
Communication
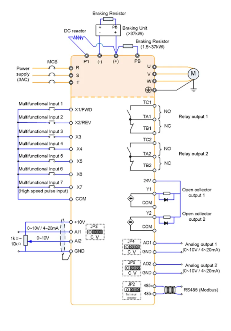
RS485/Modbus
Protection Class
IP20
HS Code
8504409999
Production Capacity
200,000 PCS/Year

Product Description

Solar Pump Inverter Solar VFD Details

Product Features:

  • Special purpose for Water Pumps and Fans.
  • MPPT setting, Solar Pump Watering Mode.
  • Powerful PID adjustment function, removable control panel, convenient for use.
  • Stepless speed regulation: 0-500Hz can be adjusted arbitrarily.
  • Powerful current vector control performance, low noise, excellent energy-saving effect.
  • RS485 communication interface, supporting MODBUS international standard protocol.
Control Performance VFD Application

Technical Specification

LC880P Model Series
Input Voltage3AC 380V 3ph ±15%
Output Voltage0 ~ Rated Input Voltage
Applicable Power1.5KW - 200KW
Control ModeV/F, SVC, FVC
Overload CapacityG mode: 150% 60s; 200% 4s
Braking Unit1.5 ~ 30kw: standard built-in
Built-in PIDEasily realize close loop control of pressure, temperature, flow, etc.
ProtectionOver-current, over-voltage, under-voltage, overheating, phase loss, overload, short circuit.
Inverter View 1 Inverter View 2 Inverter View 3
Internal Components Factory Testing Packaging
Production Line Certification and Quality

Frequently Asked Questions

Q: What is the primary function of the VFD?
A: A VFD controls the speed and frequency of motors. It is widely used in industrial control, automation systems, and pump systems to improve efficiency and control.
Q: How do you ensure the quality of the VFD?
A: Every VFD undergoes four rigorous tests before delivery: AOI test, Pre-test, Aging Test, and a final Whole Unit Test. We hold CE and ISO9001 certifications.
Q: What is the typical delivery lead time?
A: Generally within 7-10 days after deposit receipt. Sample orders take 1-3 days, while custom OEM orders may take 12-20 days depending on quantity.
Q: How do I choose the right VFD for my specific motor?
A: Please provide the nameplate data of your motor (Voltage, Power, Current). Our technical team will recommend the most suitable model for your application.
Q: What kind of after-sales service is provided?
A: We provide a 1-year warranty for all inverter types. Technical support is available 24/7 to assist with any operational or maintenance queries.
Q: Do you support OEM and custom services?
A: Yes, we support OEM services including custom logos, labels, and specialized software. Please note that a Minimum Order Quantity (MOQ) applies for customization.

Related Products