Irrigation Frequency Inverter Solar Power Inverter Motor Speed Controller VFD

Customization: Available
Application: High-performance Transducer, Three Phase Transducer
Output Type: Single

Product Description

Basic Information
Model NO. H129T40015BX0
Principle of Work Vector Control Transducer
Switch Mode PWM Control
Main Circuit Type Voltage
Voltage of Power Supply Low Voltage Variable-Frequency Drive
Link of Transformation AC-DC-AC Variable-Frequency Drive
Function Simple Type, Elevator Special
IGBT Yes
Voltage Range 220V-380V
Product Description
Photovoltaic Water Pump Inverter

The H129 series photovoltaic water pump special inverter is a high-performance vector control technology developed for the photovoltaic water pump industry. It features maximum power point tracking (MPPT) function, intelligent sleep and wake-up functions, under-load protection, water shortage alarms, and other advanced control functions. Designed for easy wiring and operation.

Motor Speed Controller
Technical Features

1. FLEXIBLE APPLICATION

- Suitable for three-phase asynchronous motors, three-phase synchronous motors, and mainstream photovoltaic modules.

- Can be connected to various water level switches or sensors.

- Programmable implementation of complex application functions.

2. COST-EFFECTIVE

- Long effluent duration and small size for side-by-side zero-distance installation.

- Built-in pump protection functions.

- NO battery design, easy to maintain and suitable for various applications.

3. REMOTE MONITORING

- Standard RS-485 interface, optional GPRS module for remote monitoring of historical parameters anytime, anywhere.

4. SMART AND RELIABLE

- Leading motor drive technology with 20 years of market experience.

- Built-in intelligent IGBT module with over-voltage, over-load, over-heat, and dry-running protection.

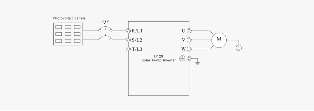
Connection Diagram
Inverter Connection
Product Parameters
VFD Parameters
Frame No. W (Width) H (Height) D (Depth) A B d
F18517012467.31585
F297194133851845
F31262371471122235
F41682981601542836
F51983551771833386
VFD Model Selection
Manufacturing Expertise

Founded in 1994, our manufacturing base focuses on R&D, manufacturing, sales, and service for motor auto-controlling products. As a Hi-Tech Enterprise, we specialize in high-voltage and low-voltage inverters, servo drive products, and new energy solutions.

Production Facility
Certificate Process

We stand on the principle of "Quality & Innovation" to provide the best product and service to every customer. Our sales network spans major international markets in Europe, Southeast Asia, the Middle East, and Oceania.

Our Advantages

Advanced Control: Sensorless vector control (SVC) for better low-speed stability and stronger low-frequency load capacity.

Torque Protection: Automatically limits torque during operation to prevent frequent over-current trips.

Dual Motor Support: Equipped with two sets of motor parameters for switching control of two different motors.

Braking Performance: Built-in braking units (0.75~22KW) for quick stopping when connected to a braking resistor.

Speed Tracking: Built-in speed tracking function with multiple modes for precise motor control.

Built-in PLC: Realize up to 16 segment speeds automatic cycle switching via internal programming.

Frequently Asked Questions
What motors are compatible with the H129 series?
The inverter is compatible with three-phase asynchronous motors and three-phase synchronous motors.
Does this system require batteries?
No, it is designed with a "NO battery" configuration, which simplifies maintenance and reduces system costs.
How does the remote monitoring function work?
It uses a standard RS-485 interface and can be equipped with an optional GPRS module to monitor solar pump parameters via a mobile device or PC.
What safety protections are built into the inverter?
It includes intelligent protection for over-voltage, over-load, over-heat, dry-running, and water shortage alarms.
Can multiple inverters be installed together?
Yes, the small size and thermal design allow for side-by-side installation with zero distance between machines.
What is the MPPT function?
Maximum Power Point Tracking (MPPT) ensures the inverter extracts the maximum possible power from the solar panels under varying light conditions.

Related Products