380V AC/DC Drive Variable Frequency Solar VFD for Farm Irrigation System

Customization: Available
Application: High Frequency Converter Transducer, AC Motor
Output Type: Triple

Product Description

Solar VFD Banner
Basic Info.
Model NO.
LC880
Principle of Work
V/F Control Transducer
Switch Mode
AC Motor
Main Circuit Type
Voltage
Link of Transformation
DC-AC
Function
Simple Type
Voltage
≥320 VDC
Customized Logo
Yes
Built-in Pid
Yes
Specification
0.75KW-550KW
Origin
China
Production Capacity
200000PCS/Month
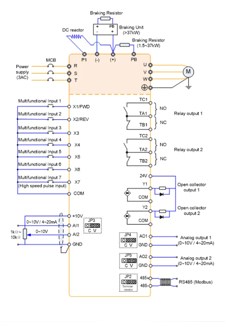
Product Description
Product Detail
Product Features:
• Special purpose of Water Pumps and Fans.
• MPPT setting, Solar Pump Watering Mode.
• Powerful PID adjustment function, removable control panel.
• Stepless speed regulation (0-500Hz).
• Powerful current vector control performance, low noise.
• RS485 interface, supporting MODBUS protocol.
📋 Technical Specifications
ModelLC880P
Input Voltage3AC 380V 3ph ±15%
Output Voltage0~rated input voltage
Applicable Power1.5KW-200KW
Control ModeV/F, SVC, FVC
Overload CapacityG mode: 150% 60s; 200% 4s
CommunicationStandard RS-485, Modbus-RTU
Fault ProtectionOver-current, over-voltage, under-voltage, over heating, etc.
Power Motor (KW) Motor (HP) Rated Output Current (A)
1.5kW1.524.4
2.2kW2.235.8
4.0kW4.0510
5.5kW5.57.513
7.5kW7.51017
11kW111525
15kW152032
30kW304060
55kW5575110
110KW110150210
200KW200270380
🖼 Product Gallery
VFD Applications
Frequently Asked Questions
What's the primary function of this VFD?
The VFD controls the speed and frequency of motors, widely used in industrial control, automation systems, and pump systems for farm irrigation.
How is the quality of the VFD ensured?
Quality is our priority. Each unit undergoes four rigorous tests (AOI test, Pre-test, Aging Test, and Whole Test) before delivery, and holds CE and ISO9001 certifications.
What is the typical delivery time?
Delivery usually takes 7-10 days after deposit receipt, depending on the order quantity. Stock orders can be shipped within 3-7 days.
How do I choose the correct VFD model for my machine?
Please provide the nameplate details of your motor, and our technical team will recommend the most suitable model for your specific requirements.
What kind of after-sales service do you provide?
We offer a 1-year warranty for all inverters. Our after-sales support is available 24 hours to assist with any technical issues or defective accessories.
Do you support OEM services?
Yes, we support OEM services with a Minimum Order Quantity (MOQ). Please contact us with your inquiry for more details.

Related Products