Three Phase General Purpose VFD AC Motor High Performance for Plastic Machinery

Still deciding? Get samples of $ !
Order Sample

Product Description

📋

Basic Information

Model NO.K100-4T-7.5GB
Principle of WorkVector Control Transducer
Main Circuit TypeCurrent
FunctionTextile Special, Constant Torque Universal Type
Control ModeV/F Control, Vector Control
Protection ClassIP20

Product Description

VFD AC Motor
VFD Product 1 VFD Product 2 VFD Product 3

This is K100 Series VFD inverter. Its regular model features a classic black design, with 3-phase 380V input and output, ensuring stable performance, easy installation, and wide compatibility for most industrial drives. The dual-display model adds flexibility—offering two selectable parameter modes to show key operating data as needed, enabling precise monitoring and debugging, ideal for diverse work scenarios.

📊

Technical Parameters

Model Voltage Level Rated Power (kW) Input Current (A) Output Current (A) Compatible Motor (kW)
K100-2S-0.75GBSingle-phase 220V0.759.34.20.75
K100-2S-1.5GB1.515.77.51.5
K100-2S-2.2GB2.224102.2
K100-2S-4.0GB4.035174.0
K100-4T-0.75GBThree-phase 380V0.753.42.30.75
K100-4T-1.5GB1.553.71.5
K100-4T-2.2GB2.2652.2
K100-4T-4.0GB4.0119.54.0
K100-4T-7.5GB7.520177.5
🏆

Advantages

  • Enhanced Reliability
  • High Frequency Accuracy
  • Multi-speed Operation Function
  • Visualized Real-time Monitoring
⚙️

Applications

CNC machine tools, textiles, fans and pumps, food machinery, woodworking machinery, packaging and transportation, Printing machine etc.

🔌

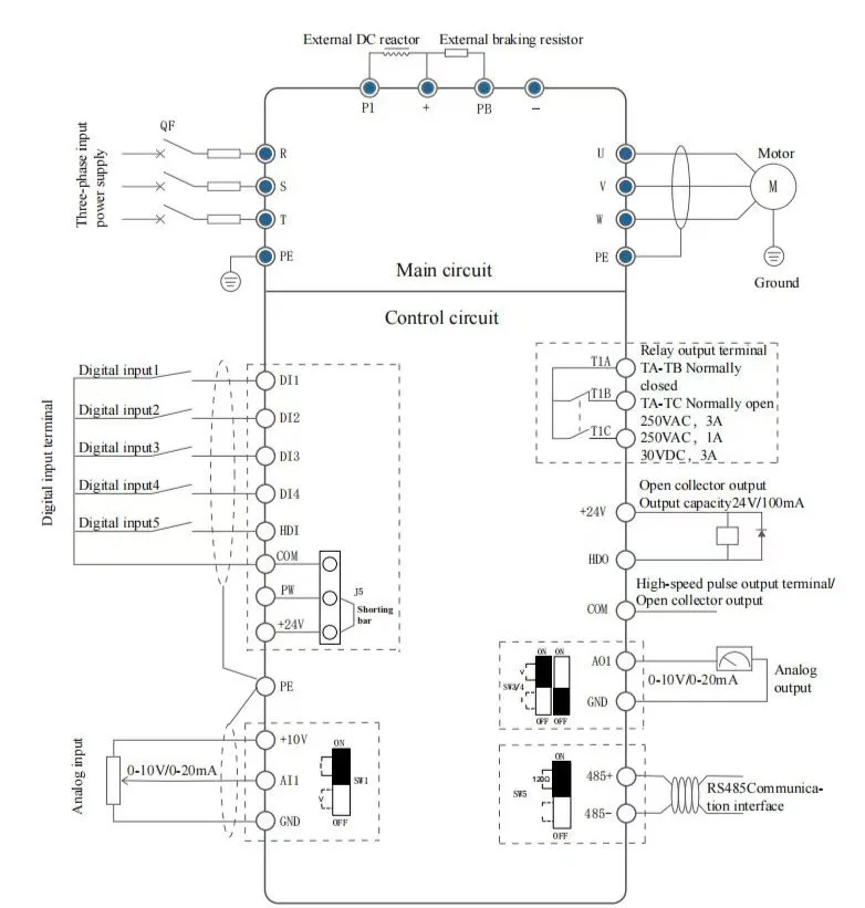
Wiring Diagram & Features

Structure Wiring 1
Wiring 2 Wiring 3
Product Features
🏢

Profile & Technology

Production Facility

The company focuses on electrical transmission and industrial control. As a high-tech enterprise, it develops, produces, and sells industrial automation products. With multiple production bases and R&D centers, the network continues to expand domestically and internationally to respond promptly to customer needs.

The product range includes: variable frequency drives, servo systems, control systems, pneumatic systems, motors, sensors, and other core industrial control products. These are widely applied in industries such as compressors, cranes, photovoltaic pumps, printing machinery, 3C electronics, and new energy fields.

Team
📜

Certifications & Shipping

Certifications Packaging

Frequently Asked Questions

1. Can you provide a sample?
We can provide samples for your evaluation, though sample fees and shipping costs are generally required.
2. What are the warranty terms?
We offer a standard 12-month warranty period for our products.
3. How is product quality guaranteed?
We maintain strict quality control with pre-production samples before mass production and a final inspection before every shipment.
4. What is the delivery time?
Small orders typically take 3-5 working days, while larger bulk orders may take 10-15 days.
5. How do I choose the right VFD for my machine?
Please provide detailed information about your machine and motor specifications, and our team will recommend the most suitable model.
6. Do you support OEM services?
Yes, we support OEM, ODM, and OBM services with proper authorization. Minimum Order Quantities (MOQ) may apply for certain items.

Related Products