Sdfc AC Variable Frequency Drive Three/Single Phase 200V VFD

Customization: Available
Application: High-performance Transducer, Three Phase Transducer, Single-phase Transducer
Output Type: Triple

Product Description

i
Basic Info.
Model NO.
SV800
Principle of Work
Vector Control Transducer
Switch Mode
High Carrier Frequency PWM Control
Main Circuit Type
Voltage
Voltage of Power Supply
Low Voltage Variable-Frequency Drive
Link of Transformation
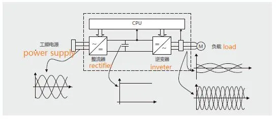
AC-DC-AC Variable-Frequency Drive
Nature of DC Power
Voltage Variable-Frequency Drive
Function
Elevator Special, Textile Special, Constant Torque Universal Type
IGBT and DSP
Infineon IGBT & Ti DSP
OEM Service
Support
Transport Package
Carton or Plywood Case
Origin
China
D
Product Description
Operation Conditions
  • Location: Indoors, no direct sunlight, free from dust, corrosive/flammable gases, oil mist, and salt.
  • Altitude: 0~2000m (De-rate 1% per 100m above 1000m).
  • Temperature: -10ºC~40ºC (De-rate 1% per 1ºC between 40ºC~50ºC).
  • Humidity: 5~95%, no condensation.
  • Vibration: Less than 5.9m/s2 (0.6g).
  • Storage: -40ºC~+70ºC.
Main Features
  • Accurate algorithm for asynchronous and permanent magnet synchronous motors.
  • Hot-pluggable and detachable control panel.
  • Multiple control modes: V/f, SVC1, SVC2, and VC.
  • Cycle-by-Cycle current limit function.
  • Short dead time between forward and reverse.
  • Wide industrial application for precise speed and torque control.
Advanced Functions

Parameter copy & backup, common DC bus, flexible parameter display, various master/auxiliary command switchover, reliable speed search, programmable Accel/Decel curves, automatic analog correction, 16-step speed control, wobble frequency, fixed length control, motor thermal protection, process PID control, simple PLC, field-weakening control, and pulse train position control.

AC Variable Frequency Drive
P
Professional Profile

Founded in 2002, our enterprise specializes in power quality products, R&D of technology and solutions, production, and professional service. We have become an industry-leading provider with a focus on high-tech innovation.

Technical Excellence
  • 28 invention patents & 24 software copyrights.
  • Drafting of 22 national and 15 industry standards.
  • Member of international committees (IEC, IEEE, etc.).
  • Software systems passed CMMI evaluation.
Core Business
  • Power quality testing and governance solutions.
  • Distributed new energy system products.
  • Standardized energy management and professional engineering.
A
Our Technical Advantages
  • Simulation of GRID Reactive Load Flow
  • L-C Circuit Amplitude-frequency Analysis
  • IGBT Driving & Protection Technology
  • Advanced PWM Technology
  • Thermal Simulation & Heat Exchange Design
  • 3D & Data Simulation
  • Digital Twins of Micro-Grid
  • Integration & Relay Coordination
  • Permanent Magnet Breaker Curves
  • Electronic Circuit Sampling & Filtering
  • Semiconductor Forced Commutation
  • Complex Vector Algorithm
  • Instrumented IOT Communication
  • VP Scheduling & Dispatcher
?
FAQ
What kind of payment terms are accepted?
We accept payment in advance, installment payments, and Letter of Credit (L/C).
What is the lead time for your products?
Lead times vary by product. Standard products like APF or SVG usually take one week. Customized solutions like capacitor banks typically require 25 to 45 days.
How can I find the right product model for my needs?
Please provide as much detail as possible, such as single-line drawings, panel primary scheme drawings, or power quality test reports (specifically regarding harmonics).
What technical services do you provide?
We offer project-site power quality testing, improvement solutions and budgeting, product price solutions, equipment supply, and product commissioning.
What standards do the products conform to?
Our products conform to various international IEC standards including IEC61921, IEC61000 series, IEC60529, IEC60931, IEC60439, and IEC60831.
What is the product guarantee period?
The standard guarantee time is one year. However, we can accommodate requests for over 5 years depending on specific requirements.

Related Products